JK-20D

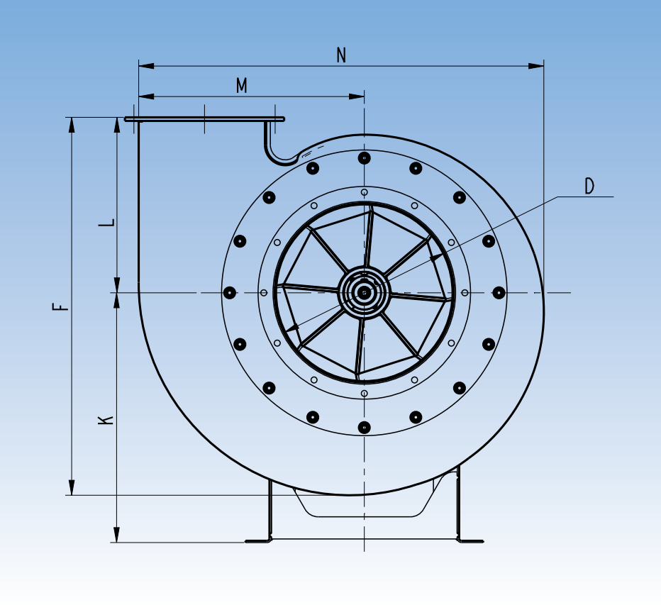
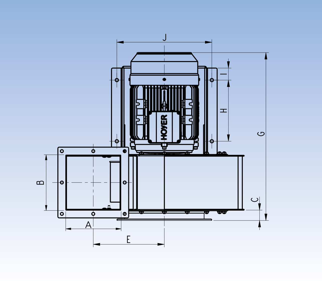
The direct drive centrifugal fan types JK-D are designed for material handling.

Equipped with self-cleaning impellers with backward-inclined blades and aerodynamic intake. The impellers are statically and dynamically balanced.

Max. internal operating temperature: 60°C

Number of blades are reduced by 2 for paper impeller.

Available in stainless steel inlet and explosion-proof (Eex) motor.

The inlet (D) is supplied with flange as standard.

If the fan is mounted in an acoustic booth, it is supplied with smooth inlet.

Specific dimensions for the outlet flanges can be found under “Flanges”.

Category Position

Name: File type: Size:
jk20d_1-1kw-b5_80_2_ln.dwg .dwg 416.2 kb
Category Position

Name: File type: Size:
jk20d_1-1kw-b5_80_2_lo.dwg .dwg 414.22 kb
Category Position

Name: File type: Size:
jk20d_1-1kw-b5_80_2_lv.dwg .dwg 413.87 kb
Category Position

Name: File type: Size:
jk20d_1-1kw-b5_80_2_rn.dwg .dwg 416.3 kb
Category Position

Name: File type: Size:
jk20d_1-1kw-b5_80_2_ro.dwg .dwg 413.77 kb
Category Position

Name: File type: Size:
jk20d_1-1kw-b5_80_2_rv.dwg .dwg 414.04 kb
Category Position

Name: File type: Size:
jk20d_1-1kw-b5_90s_ln.dwg .dwg 0.54 mb
Category Position

Name: File type: Size:
jk20d_1-1kw-b5_90s_lo.dwg .dwg 0.53 mb
Category Position

Name: File type: Size:
jk20d_1-1kw-b5_90s_lv.dwg .dwg 0.53 mb
Category Position

Name: File type: Size:
jk20d_1-1kw-b5_90s_rn.dwg .dwg 0.54 mb
Category Position

Name: File type: Size:
jk20d_1-1kw-b5_90s_ro.dwg .dwg 0.53 mb
Category Position

Name: File type: Size:
jk20d_1-1kw-b5_90s_rv.dwg .dwg 0.53 mb
Category Position

Name: File type: Size:
jk20d_1-1kw_ln.dwg .dwg 377.63 kb
Category Position

Name: File type: Size:
jk20d_1-1kw_lo.dwg .dwg 378.18 kb
Category Position

Name: File type: Size:
jk20d_1-1kw_lv.dwg .dwg 379.39 kb
Category Position

Name: File type: Size:
jk20d_1-1kw_rn.dwg .dwg 377.4 kb
Category Position

Name: File type: Size:
jk20d_1-1kw_ro.dwg .dwg 375.22 kb
Category Position

Name: File type: Size:
jk20d_1-1kw_rv.dwg .dwg 377.6 kb

Category Position

Name: File type: Size:
jk-20d_1-1kw-b5_80_2_ln.stp .stp 4.88 mb
Category Position

Name: File type: Size:
jk-20d_1-1kw-b5_80_2_lo.stp .stp 4.88 mb
Category Position

Name: File type: Size:
jk-20d_1-1kw-b5_80_2_lv.stp .stp 4.88 mb
Category Position

Name: File type: Size:
jk-20d_1-1kw-b5_80_2_rn.stp .stp 4.88 mb
Category Position

Name: File type: Size:
jk-20d_1-1kw-b5_80_2_ro.stp .stp 4.88 mb
Category Position

Name: File type: Size:
jk-20d_1-1kw-b5_80_2_rv.stp .stp 4.88 mb
Category Position

Name: File type: Size:
jk-20d_1-1kw-b5_90s_ln.stp .stp 5.54 mb
Category Position

Name: File type: Size:
jk-20d_1-1kw-b5_90s_lo.stp .stp 5.63 mb
Category Position

Name: File type: Size:
jk-20d_1-1kw-b5_90s_lv.stp .stp 5.57 mb
Category Position

Name: File type: Size:
jk-20d_1-1kw-b5_90s_rn.stp .stp 5.63 mb
Category Position

Name: File type: Size:
jk-20d_1-1kw-b5_90s_ro.stp .stp 5.65 mb
Category Position

Name: File type: Size:
jk-20d_1-1kw-b5_90s_rv.stp .stp 5.54 mb
Category Position

Name: File type: Size:
jk-20d_1-1kw_ln.stp .stp 8.89 mb
Category Position

Name: File type: Size:
jk-20d_1-1kw_lo.stp .stp 8.62 mb
Category Position

Name: File type: Size:
jk-20d_1-1kw_lv.stp .stp 8.47 mb
Category Position

Name: File type: Size:
jk-20d_1-1kw_rn.stp .stp 8.88 mb
Category Position

Name: File type: Size:
jk-20d_1-1kw_ro.stp .stp 8.57 mb
Category Position

Name: File type: Size:
jk-20d_1-1kw_rv.stp .stp 8.7 mb


Name: File type: Size:
Hoyer_Motor_Manual.pdf .pdf 1.95 mb

Name: File type: Size:
User_manual.pdf .pdf 3.78 mb

Name: File type: Size:
mont_jk20d.pdf .pdf 0.96 mb
Fan systems brochure
JK-20D data sheet

Read all about JK-20D

Fan systems brochure
JK-20D data sheet

Read all about JK-20D

Product Position

Name: File type: Size:
jk20d_1-1kw-b5_80_2_ln.dwg .dwg 416.2 kb
Product Position

Name: File type: Size:
jk20d_1-1kw-b5_80_2_lo.dwg .dwg 414.22 kb
Product Position

Name: File type: Size:
jk20d_1-1kw-b5_80_2_lv.dwg .dwg 413.87 kb
Product Position

Name: File type: Size:
jk20d_1-1kw-b5_80_2_rn.dwg .dwg 416.3 kb
Product Position

Name: File type: Size:
jk20d_1-1kw-b5_80_2_ro.dwg .dwg 413.77 kb
Product Position

Name: File type: Size:
jk20d_1-1kw-b5_80_2_rv.dwg .dwg 414.04 kb
Product Position

Name: File type: Size:
jk20d_1-1kw-b5_90s_ln.dwg .dwg 0.54 mb
Product Position

Name: File type: Size:
jk20d_1-1kw-b5_90s_lo.dwg .dwg 0.53 mb
Product Position

Name: File type: Size:
jk20d_1-1kw-b5_90s_lv.dwg .dwg 0.53 mb
Product Position

Name: File type: Size:
jk20d_1-1kw-b5_90s_rn.dwg .dwg 0.54 mb
Product Position

Name: File type: Size:
jk20d_1-1kw-b5_90s_ro.dwg .dwg 0.53 mb
Product Position

Name: File type: Size:
jk20d_1-1kw-b5_90s_rv.dwg .dwg 0.53 mb
Product Position

Name: File type: Size:
jk20d_1-1kw_ln.dwg .dwg 377.63 kb
Product Position

Name: File type: Size:
jk20d_1-1kw_lo.dwg .dwg 378.18 kb
Product Position

Name: File type: Size:
jk20d_1-1kw_lv.dwg .dwg 379.39 kb
Product Position

Name: File type: Size:
jk20d_1-1kw_rn.dwg .dwg 377.4 kb
Product Position

Name: File type: Size:
jk20d_1-1kw_ro.dwg .dwg 375.22 kb
Product Position

Name: File type: Size:
jk20d_1-1kw_rv.dwg .dwg 377.6 kb
Product Position

Name: File type: Size:
jk-20d_1-1kw-b5_80_2_ln.stp .stp 4.88 mb
Product Position

Name: File type: Size:
jk-20d_1-1kw-b5_80_2_lo.stp .stp 4.88 mb
Product Position

Name: File type: Size:
jk-20d_1-1kw-b5_80_2_lv.stp .stp 4.88 mb
Product Position

Name: File type: Size:
jk-20d_1-1kw-b5_80_2_rn.stp .stp 4.88 mb
Product Position

Name: File type: Size:
jk-20d_1-1kw-b5_80_2_ro.stp .stp 4.88 mb
Product Position

Name: File type: Size:
jk-20d_1-1kw-b5_80_2_rv.stp .stp 4.88 mb
Product Position

Name: File type: Size:
jk-20d_1-1kw-b5_90s_ln.stp .stp 5.54 mb
Product Position

Name: File type: Size:
jk-20d_1-1kw-b5_90s_lo.stp .stp 5.63 mb
Product Position

Name: File type: Size:
jk-20d_1-1kw-b5_90s_lv.stp .stp 5.57 mb
Product Position

Name: File type: Size:
jk-20d_1-1kw-b5_90s_rn.stp .stp 5.63 mb
Product Position

Name: File type: Size:
jk-20d_1-1kw-b5_90s_ro.stp .stp 5.65 mb
Product Position

Name: File type: Size:
jk-20d_1-1kw-b5_90s_rv.stp .stp 5.54 mb
Product Position

Name: File type: Size:
jk-20d_1-1kw_ln.stp .stp 8.89 mb
Product Position

Name: File type: Size:
jk-20d_1-1kw_lo.stp .stp 8.62 mb
Product Position

Name: File type: Size:
jk-20d_1-1kw_lv.stp .stp 8.47 mb
Product Position

Name: File type: Size:
jk-20d_1-1kw_rn.stp .stp 8.88 mb
Product Position

Name: File type: Size:
jk-20d_1-1kw_ro.stp .stp 8.57 mb
Product Position

Name: File type: Size:
jk-20d_1-1kw_rv.stp .stp 8.7 mb
Category File

Name: File type: Size:
Hoyer_Motor_Manual.pdf .pdf 1.95 mb
Category File

Name: File type: Size:
User_manual.pdf .pdf 3.78 mb
Category File

Name: File type: Size:
mont_jk20d.pdf .pdf 0.96 mb
JK-D1.PNG
JK-D2.PNG
JK-Dint.PNG

Related products

...
JK-22D

Fan systems

See product
...
JK-25D

Fan systems

See product
...
JK-30D

Fan systems

See product
...
JK-40D

Fan systems

See product

Configure your own solution with our tools

Icon
Interested in more?

Contact us today for a free consultation! Our team of experts will be happy to discuss your dust control challenges and answer any questions you may have. Let us show you how a custom-designed Solution Sales approach can transform your workplace and revolutionize your approach to dust extraction.

Contact us